Plug & Play Snel leverbaar Maatwerk Betaalbare kwaliteit
Google Logo Google Reviews 9,5 uit 225 reviews
📞 +31 6 27 89 08 58 ✉️ info@droomunit.nl 🕒 Ma – Vrij: 09:00 – 17:00

Maatwerk sanitair units

Een maatwerk sanitaire unit is de ideale oplossing wanneer onze standaard units niet volledig aansluiten op uw situatie. In dat geval ontwerpen en realiseren wij een unit die volledig is afgestemd op uw locatie, gebruik en wensen.
  • ✔ Volledig maatwerk in indeling en afmetingen
  • ✔ Geschikt voor campings, recreatie en evenementen
  • ✔ Keuze uit toiletten, douches, urinoirs en badkamers
  • ✔ Geïsoleerd, geventileerd en verlicht
  • ✔ Kant-en-klare aansluitingen mogelijk
  • ✔ Stevig, duurzaam en onderhoudsvriendelijk
  • ✔ Eenvoudig te plaatsen en verplaatsen
  • ✔ Leverbaar in kleine en grote aantallen

Prijs op aanvraag*

*Afhankelijk van samenstelling en aantallen

Specificaties

Algemene uitvoering
  • Stalen frameconstructie voor een stevige en duurzame basis
  • 40 mm EPS geïsoleerde wanden en dak
  • Buitenzijde in antraciet, binnenzijde in wit (houtlook optioneel)
  • Luxe vloerafwerking met PVC op vezelcementplaat
  • Stevige toegangsdeur met slot
  • Heftruck- en pallettrucksleuven en hijsogen
Indeling en mogelijkheden
  • Volledig maatwerk in afmetingen en indeling
  • Keuze uit hangtoiletten of staande toiletten
  • Mogelijkheid voor douches of regendouches
  • Uit te breiden met urinoirs, wastafels en spiegels
  • Complete badkamers mogelijk
  • Technische ruimte optioneel
  • Wasmachineaansluitingen mogelijk
Installaties
  • Leidingwerk volledig naar wens in te delen
  • Elektrische ventilatie per ruimte mogelijk
  • Groepenkast met zekering en aardlekschakelaar
  • Wandcontactdozen en schakelaars naar wens
  • Binnenverlichting en buitenverlichting
Aansluitingen
  • Water- en rioolaansluitingen op maat
  • Mogelijkheid voor schoonwater- en vuilwatertank
  • Plug & play oplevering mogelijk
Levering en plaatsing
  • Transport mogelijk door heel Nederland en België
  • Montage inclusief onderdelen mogelijk
  • Leverbaar in kleine en grote aantallen (staffelkorting mogelijk)

Maatwerk sanitaire units

Voor campings, recreatieparken, evenementen en andere toepassingen leveren wij volledig op maat gemaakte sanitaire units. Of het nu gaat om een kleine sanitaire voorziening of een compleet sanitair gebouw: wij kunnen alles maken op het gebied van sanitair, in iedere gewenste maat en indeling. Volledig afgestemd op uw locatie, gebruik en wensen.

Volledig afgestemd op uw situatie

Iedere locatie en toepassing is anders. Daarom worden onze maatwerk sanitaire units ontworpen op basis van uw wensen en het gebruik. Denk aan een indeling met meerdere toiletten, douches, urinoirs of complete badkamers. Ook technische ruimtes, wasvoorzieningen en extra aansluitingen kunnen worden geïntegreerd. Zo ontstaat een oplossing die precies past bij uw situatie.

Van idee tot realisatie

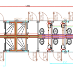
Wij denken actief met u mee over de indeling, capaciteit en afwerking van de unit. Op basis van uw wensen maken wij technische tekeningen zodat u vooraf precies weet hoe de unit eruit komt te zien. Vervolgens wordt de unit volledig geproduceerd en gebruiksklaar geleverd.

Geschikt voor diverse toepassingen

Onze maatwerk sanitaire units worden veel toegepast op campings, recreatieparken en evenementenlocaties, maar zijn ook geschikt voor bouwplaatsen, tijdelijke voorzieningen en andere situaties waar betrouwbare sanitaire voorzieningen nodig zijn. Of het nu gaat om tijdelijk gebruik of een permanente oplossing, wij leveren een unit die aansluit op uw wensen.